Un estudio que ha sido elaborado por un grupo de trabajo interdisciplinar creado por el Ministerio de Cultura y Deporte, a petición de la Dirección General de Patrimonio Cultural y Bellas Artes, con el objetivo de analizar el estado de conservación de las tres damas ibéricas del Museo Arqueológico Nacional (MAN) -la Dama de Elche, la Dama de Baza y la Dama del Cerro de los Santos- ha concluido el informe técnico de estado de conservación de las piezas.
El estudio, en el que ha
participado personal del MAN, de la Subdirección General de Museos Estatales y del Instituto del Patrimonio Cultural de España (IPCE), continúa y refuerza los realizados en años anteriores, implementando nuevas herramientas de control y conservación.
Aunque cada pieza se ha estudiado individual y pormenorizadamente, también se ha abordado el estudio de forma conjunta, con el fin de obtener resultados más sólidos y extrapolables al futuro conocimiento y preservación de la escultura ibérica policromada. Así, permitirá hacer un seguimiento a medio y largo plazo, implantando dos protocolos inscritos en el Plan de Conservación Preventiva del MAN: seguimiento y control de los indicadores de deterioro; y seguimiento y control del nivel de sales solubles.
Desde su creación el febrero de 2022, el grupo de trabajo ha desarrollado su actividad en tres fases. La primera ha consistido en la recopilación y estudio de la documentación existente relativa a las esculturas, así como la elaboración de fichas conjuntas de trabajo. La segunda ha abordado el estudio científicotécnico, mediante la adquisición de imágenes y realización de análisis, para concluir con el establecimiento de una metodología de trabajo para el seguimiento del estado de conservación. Y la tercera fase ha sido la redacción e implantación de los protocolos de seguimiento y control de indicadores.
Durante el proceso, se ha seguido una secuencia tendente a minimizar el impacto sobre el objeto, partiendo de estudios globales y puntuales sin toma de muestra. En este sentido, el personal técnico del IPCE, con el equipamiento necesario, se trasladó al museo para la aplicación de diferentes técnicas de imagen: fotografía visible de referencia, detalle y macrofotografías; fotografía de fluorescencia visible inducida por radiación ultravioleta; fotografía de luminiscencia en el rango infrarrojo inducida por luz visible; y termografía.
A continuación, se diseñó una metodología de trabajo para establecer unos puntos fijos de análisis que permitieran hacer una monitorización a largo plazo del grado de salinización de cada obra. Con esta finalidad, se han empleado técnicas como la conductivimetría de alta resolución; la microscopía electrónica de barrido; y el microanálisis mediante espectrometría en dispersión de energías de rayos X. Los objetivos principales de estos análisis han sido determinar la naturaleza de los materiales orgánicos y valorar si los resultados obtenidos ayudarían a establecer los factores de riesgo que pueden contribuir al deterioro de la obra.
De esta forma, la toma de micromuestras posibilita ahora la existencia de archivos en el IPCE, con el fin de que, en el futuro, puedan volver a ser consultadas o estudiadas sin necesidad de tomar nuevas muestras en el mismo bien cultural. En octubre de 2022 terminó la etapa de adquisición de datos y, a partir de ese momento, comenzó el procesado, análisis e interpretación de los mismos.
En el caso concreto de la Dama de Baza, para este estudio se han determinado 11 puntos representativos de deterioro y 14 puntos de muestreo de sales solubles, de los cuales se han seleccionado 6 puntos para el protocolo de seguimiento y control de sales. Según el informe, los análisis indican “que las variaciones en las condiciones higrométricas en el entorno de la dama desencadenarían un complejo proceso de disolución y cristalización de sales sulfatadas, que comprometerían el inestable estado de conservación de la policromía”.
Asimismo, los indicadores muestran que “cualquier variación en los parámetros ambientales derivada de un traslado de la obra puede desencadenar mecanismos de alteración física”. A lo que añade que “la aparición de nuevos ciclos de disolución y recristalización de sales supondría un riesgo de pérdidas en la superficie, tanto de material pétreo como de restos de policromía”. Por tanto, “la desaparición de estos estratos conllevaría una pérdida irreparable para el conocimiento de este excepcional bien cultural y de la cultura ibérica en su conjunto debido fundamentalmente, a que esta pieza conserva en gran medida la policromía original”. En este sentido, el informe determina que “un traslado externo activaría mecanismos de deterioro con graves consecuencias” que “comprometerían la integridad de esta obra tan significativa para el Patrimonio Histórico Español”.
Añadir también que el análisis detallado de la información obtenida y el conocimiento de estos tres bienes culturales, posibilita establecer unos protocolos eficaces y representativos para el seguimiento del estado de conservación con el paso del tiempo. El informe explica que los resultados obtenidos mediante la metodología desarrollada en las fases de estudio de las damas podrán emplearse como una herramienta que garantizará la calidad de futuras intervenciones de conservación y restauración en escultura ibérica, que deben tener como máxima prioridad la preservación a largo plazo de los bienes culturales.
Informe completo sobre el estudio realizado a la Dama de Baza:
Informe del estado de conservación de tres Damas Ibéricas pertenecientes a la colección del Museo Arqueológico Nacional (Madrid), referido a la Dama de Baza. Ministerio de Cultura y Deporte. Madrid, 3 de agosto de 2023.
1. ANTECEDENTES Y OBJETO DEL INFORME
El 7 de febrero de 2022, a petición de la Dirección General de Patrimonio Cultural y Bellas Artes, se constituye un grupo de trabajo formado por personal del Museo Arqueológico Nacional (MAN), de la Subdirección General de Museos Estatales (SGME) y de la Subdirección General del Instituto del Patrimonio Cultural de España (IPCE), con el objetivo de actualizar los datos del estado de conservación de las tres esculturas ibéricas conocidas como Dama de Baza, Dama de Elche y Gran Dama Oferente del Cerro de los Santos (en adelante Dama del Cerro de los Santos). Este estudio continúa y refuerza los realizados en años anteriores, implementando nuevas herramientas de control y conservación.
Con motivo del descubrimiento de la Dama de Baza y su posterior restauración, se realizaron en 1971-1972 análisis para la identificación del soporte pétreo, la policromía y las sales en el Instituto de Conservación y Restauración de Obras de Arte y Etnología (ICROA), precursor del actual IPCE. Posteriormente, en el año 1999, miembros del Departamento de Física de la Universidad de Valencia, caracterizan la policromía mediante fluorescencia de rayos X (XRF). Por último, hay que mencionar un conjunto de estudios realizados por el Instituto del Patrimonio Histórico Español (IPHE), actual IPCE, entre los años 2006 y 2008, centrados en la caracterización del material pétreo, la policromía y las sales solubles.
En el caso de la Dama de Elche, destaca la creación en 2005 de una Comisión de Estudio integrada por profesores del ámbito universitario, personal del IPHE y del MAN. Se llevaron a cabo estudios científicos realizados por el IPHE (policromía, soporte, costras y depósitos superficiales) así como por el Centre de Recherche et de Restauration des Musées de France (C2RMF) (estudio de policromía) y el Instituto Eduardo Torroja del CSIC (pigmentos, recubrimientos, piedra y estudio de los restos de ceniza de huesos del hueco posterior de la escultura).
En cuanto a la Dama del Cerro de los Santos, los estudios analíticos se enmarcan dentro del proyecto de conservación y restauración, desarrollado mediante la colaboración del MAN (Departamento Técnico de Conservación) y del IPCE (Servicio CROAPAE, del Área de intervenciones en bienes muebles; y secciones de Estudios Físicos y Análisis de Materiales, del Área de Investigación y Formación) entre 2011 y 2013. Se realizaron estudios de biodeterioro, análisis de materiales y estudio multiespectral por parte del IPCE. En el MAN se realizaron también unos análisis de pigmentos con la colaboración del Centro de Ciencias Humanas y Sociales-CSIC.

2. DESARROLLO DE LOS TRABAJOS
Si bien cada una de las tres piezas se ha estudiado en profundidad, individual y pormenorizadamente, abordar el estudio de las tres grandes damas ibéricas de forma conjunta a pesar de su notable complejidad, permite obtener, desde una perspectiva de mayor amplitud, resultados más sólidos y extrapolables al futuro conocimiento y preservación de la escultura ibérica policromada en su totalidad.
Núm. inv. Museo (MAN) Núm. SIGI (IPCE) Dama de Baza 1969/68/155/123A 32595
Los estudios permitirán hacer un seguimiento del estado de conservación de las esculturas a medio y largo plazo, implantando dos protocolos: seguimiento y control de los indicadores de deterioro, y seguimiento y control del nivel de sales solubles (tabla 1). A su vez ambos se inscriben en el Plan de Conservación Preventiva del MAN.
Las sales solubles en presencia de condiciones variables de temperatura y humedad relativa pueden estar sometidas a procesos de disolución/cristalización repetidos en el tiempo que provocan deterioros muy severos en materiales pétreos porosos como los de las esculturas consideradas.
Los indicadores son registros del estado físico de un deterioro, con el fin de evaluar la evolución de una patología o lesión. A partir de ahora, y gracias a la metodología implantada, cualquier cambio producido en esos indicadores establecidos (tabla 1) podrá ser medido y registrado objetivamente, incluso aquellos que son imperceptibles en la visión directa (Anexos 1.2, 2.2, 3.2, 1.10, 2.9 y 3.9). Para cada una de las esculturas se marcaron unos indicadores concretos de deterioro (tabla 2), unos determinados puntos de muestreo de salinidad (tabla 3) y, a partir, de los resultados obtenidos mediante conductivimetría, los puntos con mayor contenido salino (> 500 µS/cm), seleccionados para el protocolo de seguimiento y control de sales. La selección de puntos de muestreo de sales se realizó evitando, de acuerdo a los principios de conservación, zonas con policromía, recubrimientos ligados a intervenciones anteriores, zonas de talla delicada y zonas con elevada descohesión.
CUADRO RESUMEN DE INDICADORES Y PUNTOS DE MUESTREO
CUADRO RESUMEN DE INDICADORES DE DETERIORO
CUADRO RESUMEN DE INDICADORES DE SALES SOLUBLES:
El grupo de trabajo planteó el desarrollo de su actividad en torno a tres fases:
- Fase 1. Recopilación y estudio de la documentación existente relativa a las esculturas, así como elaboración de fichas conjuntas de trabajo.
- Fase 2. Estudio científico-técnico, mediante la adquisición de imágenes y realización de análisis (Anexos 1.3, 1.4, 1.5, 1.6, 1.7, 1.8, 2.3, 2.4, 2.5, 2.6, 2.7, 3.3, 3.4, 3.5, 3.6, 3.7). Esta fase concluye con el establecimiento de una metodología de trabajo que permite efectuar un seguimiento del estado de conservación de las esculturas. –
- Fase 3. Redacción e implantación de los protocolos de seguimiento y control de indicadores de deterioro (Anexos: 1.1, 2.1, 3.1) y de seguimiento y control del nivel de sales solubles (Anexos, 1.9, 2.8 y 3.8). La selección de indicadores de deterioro queda recogida en los Anexos 1.2, 2.2, 3.2; los indicadores de sales solubles en los Anexos 1.10, 2.9 y 3.9.
Los estudios que se realizan a los bienes culturales están subordinados tanto al tipo de bien cultural como al objetivo que se persigue, y siguen una secuencia tendente a minimizar el impacto sobre el objeto; se parte de estudios globales y puntuales sin toma de muestra.
En este sentido, el personal técnico del IPCE, con el equipamiento necesario, se trasladó al museo para la aplicación de las siguientes técnicas de imagen:
- Fotografía visible de referencia, detalle y macrofotografías. Las capturas en el rango visible sirven como referencia a la hora de interpretar los documentos generados en las restantes técnicas.
- Fotografía de fluorescencia visible inducida por radiación ultravioleta. El uso de radiación ultravioleta permite localizar alteraciones, huellas de las técnicas de ejecución, posibles intervenciones, etc., que no son detectables por la observación directa y posibilita la localización de puntos de interés para su caracterización química posterior.
- Fotografía de luminiscencia en el rango infrarrojo inducida por luz visible. Esta técnica fotográfica permite la detección y localización de algunos pigmentos como el azul egipcio; el púrpura Han, de tipo oriental; y pigmentos con cadmio en su composición.
- Termografía. La radiación infrarroja permite discernir zonas superficiales de especial concentración de sales e hipotéticas humedades.
Todos los parámetros para la realización de estas captaciones han sido detalladamente recogidos, de tal manera que se puedan reproducir perfectamente las medidas en el futuro, haciendo comparables los resultados.
Analizadas las imágenes finales, se determinaron las áreas de interés para continuar con el estudio.
A continuación, se ha diseñado una metodología de trabajo para establecer unos puntos fijos de análisis que permitan hacer una monitorización a largo plazo del grado de salinización de cada una de las obras. Con esta finalidad se han empleado las siguientes técnicas:
- Conductivimetría de alta resolución. La conductividad guarda una relación directa con la concentración de sales, de manera que las medidas realizadas nos informan del grado de salinización del sustrato y nos permiten, mediante la implantación de un protocolo de actuación, controlar en un futuro, su evolución.
- Microscopía electrónica de barrido y microanálisis mediante espectrometría en dispersión de energías de rayos X (SEM-EDX). Mediante esta técnica, aparte de conocer la naturaleza de sales solubles, se puede obtener información concreta sobre el material de soporte y su estado de conservación.
Adicionalmente, en la Dama de Baza se tomaron dos muestras que contenían materiales relacionados con el adhesivo y/o consolidante que fueron aplicados en intervenciones antiguas realizadas en los años 1971 y 1972.
Los objetivos principales de estos análisis son determinar la naturaleza de los materiales orgánicos y valorar si los resultados obtenidos ayudarían a establecer los factores de riesgo que pueden contribuir al deterioro de la obra. Para este caso se han empleado las siguientes técnicas, en la sede del IPCE:
- Examen morfológico y composicional mediante microscopía electrónica de barrido-microanálisis por dispersión de energías de rayos X (SEM-EDX), para la identificación los componentes inorgánicos como el soporte pétreo, concreciones, costras y depósitos de tierras.
- Análisis mediante espectrometría infrarroja por transformada de Fourier (FTIR) para determinar posibles recubrimientos o materiales orgánicos empleados en caso de haber sido restauradas o intervenidas las piezas.
- Identificación de materiales orgánicos poliméricos mediante pirólisis cromatografía de gases – espectrometría de masas (Py-GC-MS).
Por último, otro aspecto fundamental que debe reseñarse es que la toma de micromuestras posibilita la existencia de archivos en el IPCE, con el fin de que, en el futuro, puedan volver a ser consultadas o estudiadas sin necesidad de tomar nuevas muestras en el mismo bien cultural.
En octubre de 2022 terminó la etapa de adquisición de datos y, a partir de ese momento comenzó el procesado, análisis e interpretación de los mismos.
Todo este estudio queda englobado dentro del Programa de seguimiento y control del estado de conservación de las damas ibéricas del Museo Arqueológico Nacional, implantando dos protocolos individualizados para cada escultura:
- Protocolo de seguimiento y control de los indicadores de deterioro
- Protocolo de seguimiento y control del nivel de sales solubles
Dicho programa a su vez se inscribe en el Plan de Conservación Preventiva del MAN.
3. Dama de Baza
Este apartado se centra en las conclusiones obtenidas para actualizar el conocimiento del estado de conservación de la Dama de Baza.
Para la Dama de Baza se han determinado 11 puntos representativos de un deterioro y 14 puntos de muestreo de sales solubles de los cuales se han seleccionado 6 puntos para el protocolo de seguimiento y control de sales.

Escultura: Dama de Baza
Núm. inventario MAN: 1969/68/155/123A
Núm. SIGI (IPCE): 32596
3. 1 Estado de conservación:
Los estudios realizados permiten confirmar el estado de vulnerabilidad del material constituyente de la escultura, atendiendo a los distintos deterioros que pueden observarse a través de los 11 indicadores seleccionados.
La superficie de la pieza presenta alteraciones de diferente naturaleza. Estas confluyen simultáneamente en deterioros que agravan de forma sinérgica el riesgo de pérdida de material. La escultura se encuentra fragmentada (cabeza, alas del trono, pata posterior izquierda del trono y apoyabrazos derecho) y presenta numerosas pérdidas, algunas de cierta entidad. Pocos meses después de su descubrimiento, en 1971, fue sometida a una intervención de restauración que se acompañó de diversas analíticas realizadas por José María Cabrera Garrido, citándose ya la presencia de sales. No se contempló la extracción de sales debido a los posibles daños que esto pudiera causar a la policromía existente y la movilización de la capa de preparación de yeso. Por lo tanto, se procedió a una consolidación superficial con nylon soluble (Calaton CA).
Debido a su delicado estado de conservación, desde su ingreso en el Museo Arqueológico Nacional se han mantenido unas condiciones ambientales estables al no poder descartarse que vuelvan a producirse movilizaciones de las sales solubles lo que provocaría la aparición de eflorescencias salinas, pérdidas de policromía y posibles disgregaciones del soporte como ya ocurrió durante el proceso de restauración de la escultura.
Se describen a continuación aquellas patologías identificadas en la escultura:
3.1.1 Presencia de sales
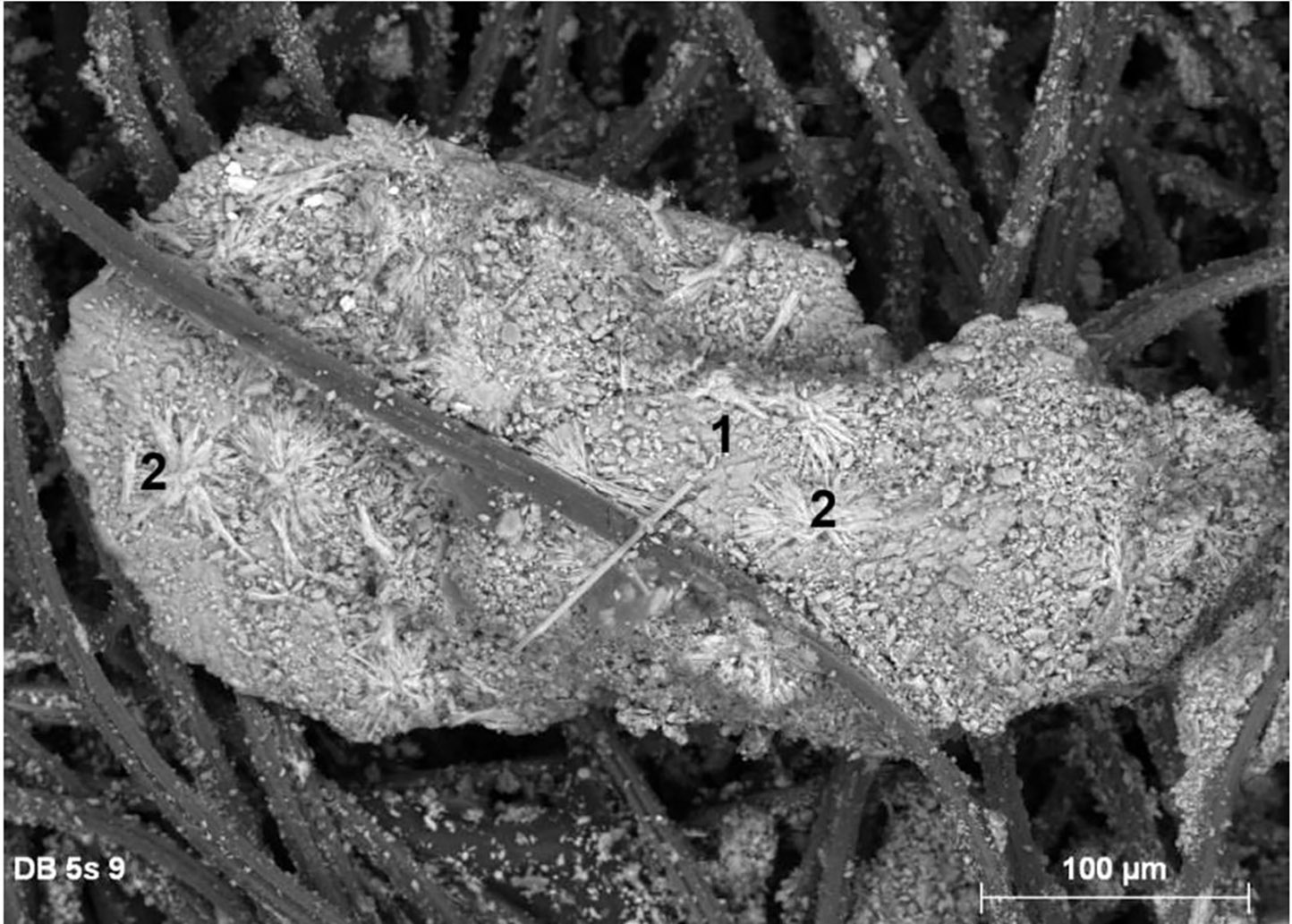
Los estudios previos realizados en los períodos de 1971-1972 y 2007-2008 sobre la Dama de Baza, incidían en el alto contenido salino de la escultura. En todas las muestras analizadas por los distintos investigadores se localizaron sales sulfatadas: en el caso del yeso, relacionadas con la capa de preparación, y el resto de sales vinculadas con el ascenso capilar durante la etapa de enterramiento arqueológico. Las sales sulfatadas identificadas fueron: sulfato cálcico dihidratado (yeso), sulfato potásico-cálcico (singenita) como sal principal, sulfato magnésico (starkeyita y pentahidrita) y sulfato potásico-magnésico (leonita).
En los últimos análisis efectuados se han identificado estas mismas sales, además de sulfato potásico en menor proporción. Asimismo, se han detectado algunos depósitos de yeso que corresponden a la preparación blanca original, lo que se puede definir como “sales originales” (figura 3).
Las imágenes termográficas realizadas no indican anomalías térmicas destacables que pudieran relacionarse con zonas con mayor contenido salino, humedad o distinto estado de conservación.
En definitiva, se comprueba gracias a los análisis de conductivimetría, que las variaciones en las condiciones higrométricas en el entorno de la dama desencadenarían un complejo proceso de disolución y cristalización de sales sulfatadas. Estos procesos comprometerían el inestable estado de conservación de la policromía y tratamientos aplicados.

3.1.2 Pérdidas de policromía y aplicaciones decorativas
La escultura presenta policromía en gran parte de la superficie, consolidada en varias ocasiones con Calaton CA, cola animal y Paraloid® B66.
En las tres ocasiones en las que se analizaron los pigmentos (1971-72, años 90 y 2007-2008), se identificaron:
- Preparación: yeso.
- Azul: tetrasilicato de cobre y calcio (azul egipcio) (CuO CaO 4SiO2).
- Rojo: sulfuro de mercurio (bermellón natural o cinabrio).
- Rojo: tierra roja rica en óxidos de hierro.
- Pardo: tierras.
- Negro: negro de huesos.
- Blanco: yeso.
- Aplicación de láminas metálicas: estaño.
La policromía presentaba pérdidas y desgaste, y en el caso de las aplicaciones metálicas, el estaño estaba alterado, dando lugar a superficies grisáceas. Se observaba, además, un depósito anaranjado de origen desconocido sobre la policromía azul y roja.
De estos pigmentos, ya identificados previamente, destaca como novedad del estudio la distribución detallada del azul egipcio (figura 4). Este registro permite completar la información publicada hasta la fecha, aportando un mapeado más preciso en cuanto a la extensión del azul egipcio, especialmente en las partes en las que la presencia del pigmento es prácticamente inapreciable en la actualidad.
La técnica de fotografía de luminiscencia en el rango infrarrojo inducida por luz visible ha permitido registrar, por primera vez, la ubicación exacta de estos restos puntuales.

Figura 4. Dama de Baza. Fotografías de luminiscencia en el rango infrarrojo inducida por luz visible en las que se observa la presencia de azul egipcio, evidenciada en tonalidad más clara y brillante. De izquierda a derecha: lateral derecho, frontal, trasera y lateral izquierdo.
Aunque la consolidación realizada ha contribuido al aparente buen estado de conservación de la policromía, hay que considerar que el comportamiento de estos materiales durante su envejecimiento no asegura la conservación de la pintura ante cualquier manipulación o movimiento de la escultura. Los consolidantes identificados forman una capa que se desprende con facilidad y que en su reverso tiene adherido un estrato blanco (figura 5). Estos tratamientos fueron aplicados hace más de cincuenta años, no cumpliendo ya la funcionalidad de origen, por lo que se hace preciso su seguimiento y control.
Estos consolidantes contribuyen a la vulnerabilidad de la policromía si no se mantienen las condiciones ambientales adecuadas. En ausencia de éstas, los materiales corren el riesgo de volverse rígidos y quebradizos, formar una capa impermeable que impida la transpiración, o incluso desprenderse. Además, se podría producir una removilización de las sales solubles detectadas y, por tanto, debido a la formación de una capa protectora posiblemente impermeable, tendría lugar, también, un desprendimiento de la capa pictórica.

Los estudios realizados corroboran, en resumen, las pérdidas antiguas generalizadas de policromía, así como la migración de los pigmentos a través de la costra, formando un conjunto inseparable y con potencial riesgo de desprendimiento.
3.1.3 Descohesión respecto al soporte pétreo
El grado de cohesión general está condicionado por el tratamiento con Calaton CA de gran parte de la superficie, así como Paraloid® B66 y colas animales.
El estudio de conductividad, que fundamentalmente ha servido para proporcionar información sobre el contenido salino (figura 6), también ha aportado información sobre la cohesión superficial del material pétreo; así, se han identificado escasos restos de tierras relacionadas con el enterramiento arqueológico, preparación de yeso o material lítico original correspondiente a una caliza micrítica. En un único caso de los seis estudiados, el material pétreo registrado puede considerarse como significativo. Figura 6. Dama de Baza. Fotografía general y macrofotografía en el rango visible de la costra blanca, compuesta posiblemente de sales.
El grado de adhesión de la capa superficial al soporte es variable, observándose desprendimientos de la película pictórica y la preparación que dejan al descubierto el soporte de piedra (figura 7).


3.1.4 Productos ajenos al material constituyente
Se han detectado restos de consolidantes de intervenciones anteriores: Calaton CA, Paraloid® B66 y cola animal, así como algunos retoques de color negro. También se ha identificado poliéster (Aspa) mezclado con pigmentos como mortero de juntas y para la adhesión de pequeños fragmentos. Para la unión de elementos fracturados se emplearon varillas de acero inoxidable y poliéster.
En la primera intervención documentada de la escultura (1971), se señalaba la presencia de restos de goma laca, dato que no aparece en estudios posteriores.
En resumen, se detectan productos ajenos al material constituyente, resultado de intervenciones previas.

3.2 Conclusiones
Todos los indicadores muestran que cualquier variación en los parámetros ambientales derivada de un traslado de la obra puede desencadenar mecanismos de alteración física.
La aparición de nuevos ciclos de disolución y recristalización de sales supondría un riesgo de pérdidas en la superficie, tanto de material pétreo como de restos de policromía. La consolidación superficial es susceptible de sufrir modificaciones en función de los cambios de humedad. La desaparición de estos estratos conllevaría una pérdida irreparable para el conocimiento de este excepcional bien cultural y de la cultura ibérica en su conjunto debido fundamentalmente, a que esta pieza conserva en gran medida la policromía original.
Se trata de un unicum al ser una pieza completa y policromada, hallada en contexto arqueológico, en su tumba subterránea y con su ajuar original.
Garantizando su preservación a largo plazo, se estará en disposición de profundizar en este conocimiento gracias a nuevas técnicas que se desarrollen en el futuro, dado el alto riesgo de pérdida de restos materiales asociados a su contexto arqueológico.
La escultura se encuentra actualmente en un estado de equilibrio muy delicado, condicionado por el envejecimiento natural, e inevitable, de los distintos materiales sintéticos aplicados, por lo que resulta necesario realizar un seguimiento y control permanente.
En este sentido, un traslado externo activaría mecanismos de deterioro con graves consecuencias. El transporte, sea cual sea el medio, implica igualmente la exposición a riesgos que comprometerían la integridad de esta obra tan significativa para el Patrimonio Histórico Español.
En conclusión, no es conveniente que la escultura sufra variaciones respecto al entorno en el que se encuentra actualmente, por lo que se desaconseja su salida del Museo Arqueológico Nacional.
6. Conclusiones generales
Este informe recoge las principales conclusiones del trabajo interdisciplinar desarrollado entre el Museo Arqueológico Nacional, la Subdirección General de Museos Estatales y la Subdirección General del Instituto del Patrimonio Cultural de España para actualizar el conocimiento del estado de conservación de las tres damas ibéricas.
Gracias a la aplicación de las técnicas indicadas en el apartado 2 de este informe, se ha podido establecer una serie de indicadores objetivos y medibles de deterioro no perceptibles en la observación directa, recogidos en seis protocolos (dos protocolos individualizados para cada escultura) que permitirán realizar un seguimiento minucioso de su evolución en el tiempo:
- Protocolos de seguimiento y control de indicadores de deterioro, que incluyen el seguimiento a través de imágenes de referencia y macrofotografías.
- Protocolos de seguimiento y control del nivel de sales solubles, que tendrán en consideración la naturaleza química de las mismas y el grado de cohesión de los materiales analizados.
Asimismo, los estudios realizados han permitido:
- Confirmar la existencia, determinar la localización concreta y evaluar la conservación del pigmento azul egipcio mediante la técnica de fotografía de luminiscencia en el rango infrarrojo por luz visible.
- La identificación de materiales orgánicos presentes en las esculturas.
Las condiciones de los trabajos realizados han sido muy exigentes, con el fin de identificar los puntos más representativos para ser empleados como indicadores. Todas las variables del trabajo experimental (captación de imágenes y medidas de conductivimetría principalmente) son perfectamente reproducibles, lo que permitirá en el futuro realizar comparaciones con nuevas tomas de datos. El análisis detallado de toda la información obtenida y el conocimiento de estos bienes culturales, posibilita establecer unos protocolos eficaces y representativos para el seguimiento del estado de conservación con el paso del tiempo.
Cabe añadir que la ciencia del patrimonio (técnicas de imagen y análisis de naturaleza química en este caso) es imprescindible tanto para profundizar en el conocimiento de cualquier bien cultural como para establecer estrategias que garanticen su conservación.
Los resultados obtenidos mediante la metodología desarrollada en las fases de estudio de las damas podrán emplearse como una herramienta que garantizará la calidad de futuras intervenciones de conservación y restauración en escultura ibérica, que deben tener como máxima prioridad la preservación a largo plazo de los bienes culturales.
Los estudios realizados en estas esculturas señalan la no conveniencia de variaciones respecto a su entorno actual, desaconsejando, en consecuencia, su salida del MAN.
Digamos, finalmente, que los interesados en acceder al informe completo de este análisis, referido a las tres Damas (Baza, Elche y Cerro de los Santos) lo pueden descargar a través del anterior enlace.



